-Four électrique à chambres superposées indépendantes, façade et bouche en acier inox AISI 304, habillage en acier inox AISI 430, couverture du four en acier zingué.
-Chambres de cuisson tout inox, résistances électriques blindées à installation latérale et sole de 2 cm en matériau réfractaire.
-Vaporisateurs puissants avec régulation de la température et du temps de vaporisation, vannes d'évacuation de vapeur manuelles.
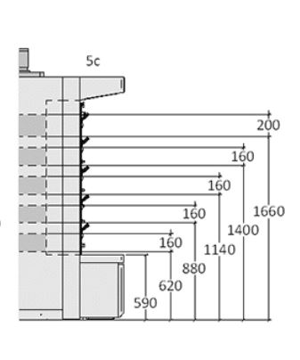
-Lors de l'installation, il est possible de choisir si monter le four droit (tableau de commande et connexions des résistances à droite) ou gauche.
-En tout cas, le four est installé sur une base à roulettes arrière permettant de l'appuyer sur les trois côtés ou, le cas échéant, de le déplacer pour l'entretien.
-Tableau de commande avec la gestion de la puissance la plus évoluée couramment disponible sur le marché ; en effet, le four de série est doté d'une platine éléctronique 'gestion four” qui permet à l'utilisateur, en réduisant ou en augmentant les kW saisis, respectivement de réduire ou d'augmenter la puissance employée pour des cuissons à haute température ou pour des pâtes froides (par exemple, pizzas ou pain congelé).
-En outre, lorsque des chambres ou des appareils à buée atteignent la chaleur requise, le four dirige automatiquement la puissance vers les autres chambres et appareils à buée moins chauds, ce qui assure la stabilité et la vitesse d'augmentation de la température.
-Cette platine permet aussi de controller l’extracteur de buée et le demarrage automatique hebdomanaire du four. Pour chaque chambre, une 'platine chambre” contrôle la température, le temps de cuisson, le rapport voûte/sole, la compensation de la bouche et la gestion de l'appareil à buée.
-Le four est muni d'une hotte à vapeurs motorisée très aisée à nettoyer avec éclairage à DEL intégré pour un éclairage optimisé de la zone d'enfournement.
-Les portes vitrées s'ouvrent au moyen d'un levier. En option, l'ouverture balancée est disponible.
-La base robuste accueille l'armoire électrique avec les télérupteurs pour le maximum de fiabilité et de durée.
-La base à roulettes permet un entretien aisé des vaporisateurs situés à l'arrière.
-L'option 'système de gestion du fournil” surveille les consommations du fournil et permet au four d'utiliser l'énergie résiduelle sans dépasser le seuil établi par le contrat avec le fournisseur de l'énergie.
Dans les ateliers Real Forni , tous les types de systèmes de cuisson du pain, de la pâtisserie et de la pizza sont produits, mais d'autres secteurs sont également servis pour la production de produits alimentaires. l'entreprise est née d'une longue expérience qui a commencé dans les années 50 dans le secteur des fours de boulangerie et qui a abouti dans les années 70 avec la création de la marque «Real Forni». D'une réalité artisanale, la production a été rapidement déplacée vers son emplacement actuel et développée de manière industrielle pour répondre aux nombreuses demandes du marché.
pour plus d'informations, n'hésitez pas à consulter le site officiel:
www.realforni.com
Rubriques pouvant vous intéresser






Service Après vente
Livraison partout dans le monde
